是否切换到触屏版浏览?
点此切换
品名
简介
全部
热:
12*6
3m
聚合物锂电池
MG-1
xrotor
2814
ACE
5030
BTU
UBEC
390KV
6s
模型视频
说明书
文章教程
大疆无人机
FPV/OSD/图传/航拍
多旋翼/穿越机
遥控模型
遥控设备
电子外设
发动机/燃油
工具/配件/其他
无人机、多旋翼、大疆 DJI、云台、电动、油动直升机、直升机配件及辅助设备。
首页
多旋翼/穿越机
多旋翼(2-8旋翼等飞行器)
多旋翼专用马达
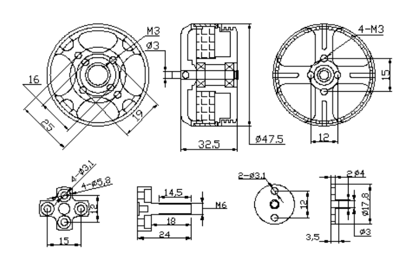
产品编号: 4830-37
产品品牌:
恒力
客户评论:
查看评论.
产品重量:
154g
上架日期:
2012-10-11
最后更新:
2021-05-22
可打印页面
添加到收藏夹
关键词:
EAGLEPOWER
鹰动力
LA4114
370KV
高能效大功率多旋翼盘式马达
适合6-8旋翼
5-10kg
动平衡
6S
原恒力4830-37
EAGLEPOWER 鹰动力 LA4114 370KV 高能效大功率多旋翼盘式马达 适合6-8旋翼 5-10kg 动平衡 6S 原恒力4830-37
技术参数:
产品名称:EAGLEPOWER 鹰动力 LA4114 370KV 高能效大功率多旋翼盘式马达 适合6-8旋翼 5-10kg 动平衡 6S 原恒力4830-370KV
厂家编号:鹰动力 LA4114 370KV
附 件:
包含:
1 x 马达
1 x 专用桨夹
4 x 桨夹固定螺丝
4 x 马达固定螺丝
精美金属包装盒
客户评论:
内容描述:
此处评论/问题为客户间交流.
发布为:
评论
问题
推荐星级:
5星
4星
3星
2星
1星