是否切换到触屏版浏览?
点此切换
品名
简介
全部
热:
灵眸
恒力
无刷电子调速器
14SG
无刷电机
200mW
脚架
X8
wkm
s800
MFD
如影
模型视频
说明书
文章教程
大疆无人机
FPV/OSD/图传/航拍
多旋翼/穿越机
遥控模型
遥控设备
电子外设
发动机/燃油
工具/配件/其他
无人机、多旋翼、大疆 DJI、云台、电动、油动直升机、直升机配件及辅助设备。
首页
多旋翼/穿越机
多旋翼(2-8旋翼等飞行器)
多旋翼专用马达
产品编号: 22123S
产品品牌:
朗宇
客户评论:
查看评论.
上架日期:
2012-06-19
最后更新:
2012-12-06
可打印页面
添加到收藏夹
关键词:
银燕EMAX
GT2213-3S
935KV
四轴无刷电机
10x4.5
正反桨
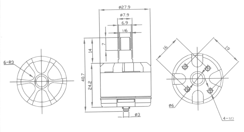
银燕EMAX GT2213-3S 935KV 四轴无刷电机 /10x4.5 正反桨
特 征:
专为四轴设计,具有响应速度快,效率高等特点,兼容大疆F330,F450和F550机架
技术参数:
型号:2213-3S 935KV
KV:935
适用螺旋桨尺寸:10×4.5
电池型号:3-4S锂电
无负载电流:0.3A,7.4V
净重量:87g
最大电流:22A
ESC:30A推荐
工作电流:<16A
最大功率:330W
内部电阻:0.091Ω
附 件:
包含:
1 x 2212 电机
1 x 1045正桨
1 x 1045反桨
3 x 香蕉头母头
客户评论:
内容描述:
此处评论/问题为客户间交流.
发布为:
评论
问题
推荐星级:
5星
4星
3星
2星
1星