是否切换到触屏版浏览?
点此切换
品名
简介
全部
热:
XT150
图传
32频道
Simonk程序
MG-1S
iCharger
wkm
对
电调
5.8g
400mw
3K
模型视频
说明书
文章教程
大疆无人机
FPV/OSD/图传/航拍
多旋翼/穿越机
遥控模型
遥控设备
电子外设
发动机/燃油
工具/配件/其他
无人机、多旋翼、大疆 DJI、云台、电动、油动直升机、直升机配件及辅助设备。
首页
多旋翼/穿越机
多旋翼(2-8旋翼等飞行器)
多旋翼专用马达
产品编号: C-1803
产品品牌:
HiModel
客户评论:
查看评论.
上架日期:
2012-03-07
最后更新:
2012-10-19
可打印页面
添加到收藏夹
关键词:
HiModel
云系列
1803-
1900KV
外转子盘式无刷电机
多旋翼飞行器用
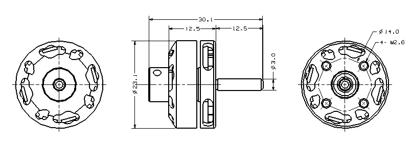
HiModel 云系列 1803- 1900KV 外转子盘式无刷电机 /多旋翼飞行器用
特 征:
专为多旋翼飞行器研发制作,采用独特的云纹设计,该系列电机拥有极高的效率,适合多种类型多旋翼飞行器使用
技术参数:
型号: C1803-1900KV
重量:17.3g
KV (rpm/v): 1900
无负载电流: 0.4a @7V
使用锂电节数 (cell): 2S-4S
功率: 45W
内阻: 0.480mΩ
硅胶线长度: 15cm
附 件:
包含:
1 x 1803- 1900KV 电机
客户评论:
内容描述:
此处评论/问题为客户间交流.
发布为:
评论
问题
推荐星级:
5星
4星
3星
2星
1星