是否切换到触屏版浏览?
点此切换
品名
简介
全部
热:
400mw
X2208
乾丰
3003
T-Motor
飞高
马达
HD19
BGC
监视器
EMP
接收机
模型视频
说明书
文章教程
大疆无人机
FPV/OSD/图传/航拍
多旋翼/穿越机
遥控模型
遥控设备
电子外设
发动机/燃油
工具/配件/其他
无人机、多旋翼、大疆 DJI、云台、电动、油动直升机、直升机配件及辅助设备。
首页
多旋翼/穿越机
多旋翼(2-8旋翼等飞行器)
多旋翼专用马达
产品编号: SE0706
客户评论:
查看评论.
上架日期:
2017-09-04
最后更新:
2017-09-04
可打印页面
添加到收藏夹
关键词:
Happymodel
SE0706
KV15000
无刷马达
1S
动力
微型无刷穿越用
Happymodel SE0706 KV15000 无刷马达 1S 动力 微型无刷穿越用
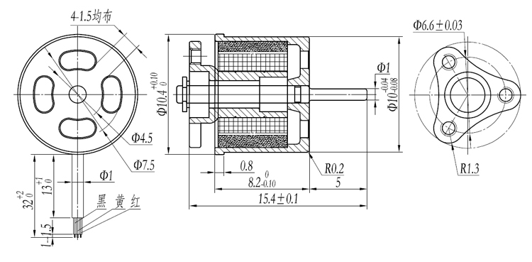
技术参数:
Specification:
Height:16mm
Width:10mm
Weight: About 3.5g
Inner shaft: φ1.5mm
Out shaft: φ1mm
KV:15000kv
Voltage: 3.7-5V
Battery: 1S lipo battery
Usage: for 60-100 scales micro FPV racer drones
附 件:
1 x SE0706 KV15000 无刷马达
客户评论:
内容描述:
此处评论/问题为客户间交流.
发布为:
评论
问题
推荐星级:
5星
4星
3星
2星
1星