是否切换到触屏版浏览?
点此切换
品名
简介
全部
热:
30C
206b
XT150
3.5mm
32频道
MICRO
4822
2212
HDMI
400KV
充电器
FlyFun
模型视频
说明书
文章教程
大疆无人机
FPV/OSD/图传/航拍
多旋翼/穿越机
遥控模型
遥控设备
电子外设
发动机/燃油
工具/配件/其他
无人机、多旋翼、大疆 DJI、云台、电动、油动直升机、直升机配件及辅助设备。
首页
多旋翼/穿越机
多旋翼(2-8旋翼等飞行器)
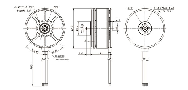
多旋翼专用马达
产品编号: XS5212S28
客户评论:
查看评论.
上架日期:
2017-04-21
最后更新:
2018-06-19
可打印页面
添加到收藏夹
关键词:
SUNNYSKY
朗宇
XS5212S
280kv
盘式电机
多旋翼马达
SUNNYSKY 朗宇 XS5212S 280kv 盘式电机 多旋翼马达
特 征:
技术参数:
产品名称:
厂家编号:
附 件:
包含:
1 x XS5212S 280kv 电机
1 x 桨夹
1 x 压片
1 x 螺丝包
客户评论:
内容描述:
此处评论/问题为客户间交流.
发布为:
评论
问题
推荐星级:
5星
4星
3星
2星
1星