无人机、多旋翼、大疆 DJI、云台、电动、油动直升机、直升机配件及辅助设备。
恒力最新 Q3(3110) 780KV 多旋翼 马达/ 两只装 3-4S 粗线
特 征:
恒力全新Q系列多旋翼马达,采用最新的结构设计,优化定子绕线,采用大直径单芯无氧铜线,纯手工绕线,可很好的提升马达的运行效率,有效降低运行中产生的热量.同时选用了新型优化的矽钢片,具备更高的兼容特性.
技术参数:
产品名称:恒力最新 Q3(3110) 780KV 多旋翼 马达/ 两只装 3-4S 粗线
厂家编号:Q3-780
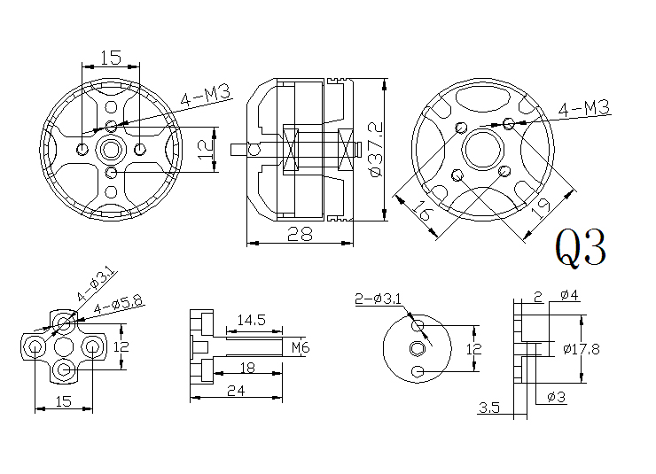
| Q3 12N14P多旋翼无刷电机 |
|
|
| 型号(Motor Type) | Q3 KV460 | Q3 KV700 | Q3 KV780 |
| 铁芯尺寸Iron Core Size(mm) | 3110 |
| 电机尺寸Motor Size(mm) | ¢37.2*28 |
| 重量Weight | 93g |
| 空载电流Idle Current(10V) | 0.3A | 0.4A | 0.5A |
| 支持锂电Support Lithium Battery | 3-6S LiPo | 3-4S LiPo | 3-4S LiPo |
| 最大电流Max Continuous Current(A) | 16 | 22 | 26 |
| 最大功率Max Continuous Power(W) | 340 | 470 | 490 |
| 内阻Internal Resistance | 0.263Ω | 0.121Ω | 0.158Ω |
| 测试参数与配置 Test Parameters and Assembly |
| 电机型号Motor Type | 锂电池Lithium Battery | 螺旋桨Propeller | 适合起飞重量Appropriate Take-off Weight |
| 4轴 (axle) | 6轴(axle) | 8轴(axle) |
| Q3 KV780 | 3S | 1147 | 1.4KG-1.9KG | 2.2KG-2.9KG | 3KG-3.8KG |
|
| |
| 电流Current(A) | 2 | 4 | 6 | 8 | 10 | 12 | 14 | 15(MAX) |
| 拉力Pulling Force(g) | 269 | 431 | 559 | 665 | 767 | 853 | 942 | 979 |
| 功率Power(W) | 24 | 48 | 72 | 96 | 120 | 144 | 168 | 180 |
| 力效Efficiency(g/W) | 11.208 | 8.979 | 7.764 | 6.927 | 6.392 | 5.924 | 5.607 | 5.439 |
| |
| 电机型号Motor Type | 锂电池Lithium Battery | 螺旋桨Propeller | 适合起飞重量Appropriate Take-off Weight |
| 4轴 (axle) | 6轴(axle) | 8轴(axle) |
| Q3 KV780 | 3S | 1238 | 1.5KG-2KG | 2.1KG-3KG | 3.1KG-3.9KG |
|
| |
| 电流Current(A) | 3 | 6 | 9 | 12 | 15 | 17.5(MAX) | | |
| 拉力Pulling Force(g) | 349 | 561 | 726 | 871 | 996 | 1073 | | |
| 功率Power(W) | 36 | 72 | 108 | 144 | 180 | 210 | | |
| 力效Efficiency(g/W) | 9.694 | 7.792 | 6.722 | 6.049 | 5.533 | 5.110 | | |
| |
| 电机型号Motor Type | 锂电池Lithium Battery | 螺旋桨Propeller | 适合起飞重量Appropriate Take-off Weight |
| 4轴 (axle) | 6轴(axle) | 8轴(axle) |
| Q3 KV780 | 4S | 1045 | 1.8KG-2.2KG | 2.7KG-3.4KG | 3.6KG-4.5KG |
|
| |
| 电流Current(A) | 2 | 4 | 6 | 8 | 10 | 12 | 14 | 15.5(MAX) |
| 拉力Pulling Force(g) | 279 | 461 | 651 | 769 | 898 | 1030 | 1132 | 1196 |
| 功率Power(W) | 32 | 64 | 96 | 128 | 160 | 192 | 224 | 248 |
| 力效Efficiency(g/W) | 8.719 | 7.203 | 6.781 | 6.008 | 5.613 | 5.365 | 5.054 | 4.823 |
| |
| 电机型号Motor Type | 锂电池Lithium Battery | 螺旋桨Propeller | 适合起飞重量Appropriate Take-off Weight |
| 4轴 (axle) | 6轴(axle) | 8轴(axle) |
| Q3 KV780 | 4S | 1147 | 2.1KG-2.8KG | 3.1KG-4.1KG | 4.2KG-5.4KG |
|
| |
| 电流Current(A) | 3 | 6 | 9 | 12 | 15 | 18 | 21.8(MAX) | |
| 拉力Pulling Force(g) | 422 | 649 | 840 | 1012 | 1145 | 1267 | 1404 | |
| 功率Power(W) | 48 | 96 | 144 | 192 | 240 | 288 | 349 | |
| 力效Efficiency(g/W) | 8.792 | 6.760 | 5.833 | 5.271 | 4.771 | 4.399 | 4.023 | |
| |


附 件:
| 装箱单 Packing List |
|
| 序号 No. | 名称Description of Goods | 型号Type | 数量Quantity |
| 1 | 电机Motor | Q3 | *2pcs |
| 2 | CCW桨座Oar seat | Q3CCW | *1pcs |
| 3 | CW桨座Oar seat | Q3CW | *1pcs |
| 4 | 螺旋桨压片Gasket | Q3 | *2pcs |
| | | | |
| 5 | 内六角杯头螺丝SHCS | M3*10 | *4pcs |
| 6 | 内六角杯头螺丝SHCS | M3*6 | *16pcs |
客户评论:

