是否切换到触屏版浏览?
点此切换
品名
简介
全部
热:
Rlink
d2
x2814
A2212
2-6S
飞速达
26cc
Skywalker
ACE
反桨
Adv
iCharger
模型视频
说明书
文章教程
大疆无人机
FPV/OSD/图传/航拍
多旋翼/穿越机
遥控模型
遥控设备
电子外设
发动机/燃油
工具/配件/其他
无人机、多旋翼、大疆 DJI、云台、电动、油动直升机、直升机配件及辅助设备。
首页
多旋翼/穿越机
多旋翼(2-8旋翼等飞行器)
多旋翼专用马达
产品编号: Q3-700
产品品牌:
恒力
客户评论:
查看评论.
上架日期:
2015-01-20
最后更新:
2022-11-21
可打印页面
添加到收藏夹
关键词:
EAGLEPOWER
鹰动力
LA3110
700KV
2只装
原恒力
Q3(3110)
700KV
EAGLEPOWER 鹰动力 LA3110 700KV 2只装 / 原恒力 Q3(3110) 700KV
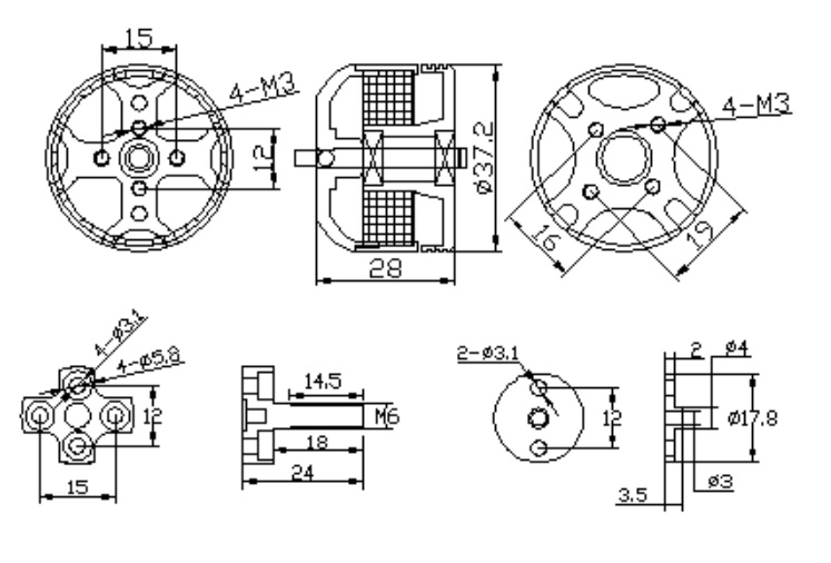
技术参数:
产品名称:
厂家编号:
附 件:
2 x 马达
2 x 桨座
2 x 压片
2 x 螺丝包
客户评论:
内容描述:
此处评论/问题为客户间交流.
发布为:
评论
问题
推荐星级:
5星
4星
3星
2星
1星