是否切换到触屏版浏览?
点此切换
品名
简介
全部
热:
乾丰
电池
FUTABA
飞翼
2.4G
600mw
小号手
9443
4010
wkm
10*4.5
15cc
模型视频
说明书
文章教程
大疆无人机
FPV/OSD/图传/航拍
多旋翼/穿越机
遥控模型
遥控设备
电子外设
发动机/燃油
工具/配件/其他
无人机、多旋翼、大疆 DJI、云台、电动、油动直升机、直升机配件及辅助设备。
首页
多旋翼/穿越机
多旋翼(2-8旋翼等飞行器)
多旋翼专用马达
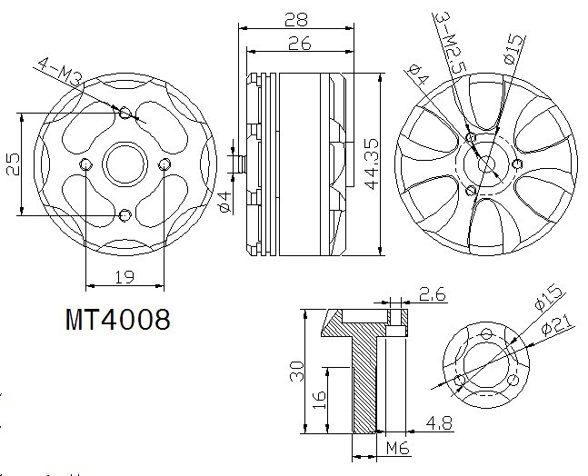
产品编号: MT400812
客户评论:
查看评论.
上架日期:
2013-09-13
最后更新:
2017-02-23
可打印页面
添加到收藏夹
关键词:
T-Motor
MT4008
600KV
多旋翼盘式无刷电机
(3-6S)
T-Motor MT4008 600KV 多旋翼盘式无刷电机 (3-6S)
技术参数:
附 件:
包含:
1 x MT4008 600KV 电机
客户评论:
内容描述:
此处评论/问题为客户间交流.
发布为:
评论
问题
推荐星级:
5星
4星
3星
2星
1星