是否切换到触屏版浏览?
点此切换
品名
简介
全部
热:
4110
skyrc
3m
1100KV
2204
3508
100A
1-8S
120a
黑色
4mm
10A
模型视频
说明书
文章教程
大疆无人机
FPV/OSD/图传/航拍
多旋翼/穿越机
遥控模型
遥控设备
电子外设
发动机/燃油
工具/配件/其他
空模发动机、直升机发动机、车模发动机、海模发动机、发动机燃料、发动机配件、火头、油箱等
首页
发动机/燃油
发动机 - 固定翼
汽油发动机
产品编号: NGH-35
客户评论:
查看评论.
上架日期:
2011-08-09
最后更新:
2014-07-21
可打印页面
添加到收藏夹
关键词:
NGH
GT35S
35CC
汽油模型发动机
可改后排气
NGH GT35S 35CC 汽油模型发动机 /可改后排气
特 征:
创新形式的小型汽油发动机,结合了甲醇机和汽油机的优势,体积紧凑,运行稳定可靠性高,该发动机出厂组装为侧排气形式,另外还配了一个活塞,替换原活塞后可把缸头顺时针旋转90°更改为后排气,方便各类机型的组装和使用。
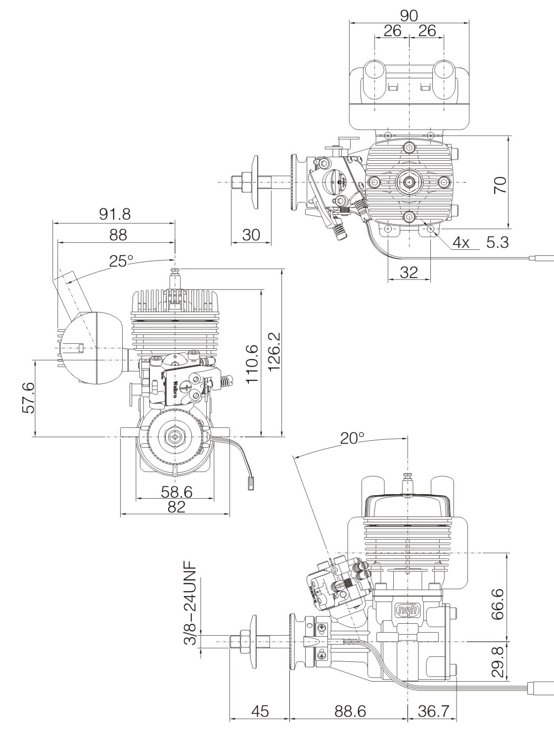
技术参数:
规格
二冲程发动机类型:汽油,空气冷却,旋转阀
汽缸类型:精密钢套
曲轴锻造类型:双球轴承
化油器型号:WT系列Walbro
化油器安装:前置化油器
火花塞:CM- 6
排量:34.95cc
缸径:37.3毫米
行程:32毫米
引擎重量(不含点火器):1280克
含点火器重量:1400克
适用螺旋桨型号:18x8,18x10,20X8
转速范围:2000-9000
燃料:无铅汽油的和合成机油预混合
压缩比:10
混合比:磨合期25:1,磨合后35:1
螺旋桨转速
JXF15*8: 9400
JXF16*8: 8400
JXF17*8: 7800
附 件:
包含:
1 x NGH GT35S 35CC 汽油模型发动机
1 x 后排气活塞
1 x 点火器
1 x 火花塞
1 x 排气管
1 x 螺丝包
1 x 后安装座
3 x 后安装角柱
客户评论:
内容描述:
此处评论/问题为客户间交流.
发布为:
评论
问题
推荐星级:
5星
4星
3星
2星
1星