是否切换到触屏版浏览?
点此切换
品名
简介
全部
热:
2-4S
遥控器
390KV
a3
T580
如影
乐迪
电机
gopro
S1000
20A
15cc
模型视频
说明书
文章教程
大疆无人机
FPV/OSD/图传/航拍
多旋翼/穿越机
遥控模型
遥控设备
电子外设
发动机/燃油
工具/配件/其他
聚合物锂电(Li-Poly)、镍氢(NiMh)电池(组)、充电器、(无刷)马达、电子调速器、电量显示器等
首页
电子外设
(无刷) 电机&配件
HiModel 系列无刷电机
产品编号: D1811K29
客户评论:
查看评论.
上架日期:
2010-02-25
最后更新:
2010-02-25
可打印页面
添加到收藏夹
关键词:
10g
2900KV
微型外转子无刷电机
D-1811-2900
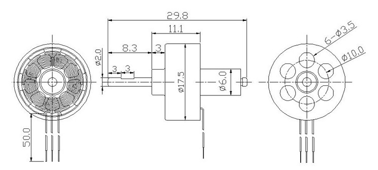
10g 2900KV 微型外转子无刷电机 /D-1811-2900
技术参数:
KV(rpm/v): 2000
重量(g):10
电压(V):7.4
无负载电流(A):0.6
无负载转速(rpm):22000
负载电流(A):7.6
负载转速(rpm):11300
螺旋桨: GW/EP6030
拉力(g): 200
附 件:
包含:
1 x 10g微型电机
1 x 子弹头桨夹
1 x 螺旋桨保护器
1 x 胶圈
客户评论:
内容描述:
此处评论/问题为客户间交流.
发布为:
评论
问题
推荐星级:
5星
4星
3星
2星
1星