是否切换到触屏版浏览?
点此切换
品名
简介
全部
热:
无刷电机
如影
E-SKY
NAZA
飞科达
T580
CDI
EAGLE
MG-1
天线
EPO
扎带
模型视频
说明书
文章教程
大疆无人机
FPV/OSD/图传/航拍
多旋翼/穿越机
遥控模型
遥控设备
电子外设
发动机/燃油
工具/配件/其他
聚合物锂电(Li-Poly)、镍氢(NiMh)电池(组)、充电器、(无刷)马达、电子调速器、电量显示器等
首页
电子外设
(无刷) 电机&配件
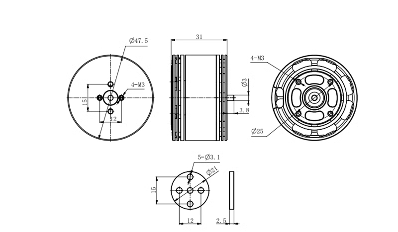
恒力多旋翼盘式马达
产品编号: LA4008S32
客户评论:
查看评论.
上架日期:
2024-03-28
最后更新:
2024-05-09
可打印页面
添加到收藏夹
关键词:
EAGLEPOWER
鹰动力
EA4114
320KV
无刷电机
原恒力
Q4(3908)
320KV
EAGLEPOWER 鹰动力 EA4114 320KV 无刷电机 / 原恒力 Q4(3908) 320KV
技术参数:
产品名称:
厂家编号:
附 件:
包含:
1 x LA4008S 320KV
客户评论:
内容描述:
此处评论/问题为客户间交流.
发布为:
评论
问题
推荐星级:
5星
4星
3星
2星
1星