是否切换到触屏版浏览?
点此切换
品名
简介
全部
热:
XT60
如影
a3
S1000
Skywalker
12*6
2300KV
好盈
BGC
led
6s
BTU
模型视频
说明书
文章教程
大疆无人机
FPV/OSD/图传/航拍
多旋翼/穿越机
遥控模型
遥控设备
电子外设
发动机/燃油
工具/配件/其他
聚合物锂电(Li-Poly)、镍氢(NiMh)电池(组)、充电器、(无刷)马达、电子调速器、电量显示器等
首页
电子外设
(无刷) 电机&配件
朗宇(SunnySky)系列无刷电机
产品编号: X312080
产品品牌:
朗宇
客户评论:
查看评论.
上架日期:
2015-09-10
最后更新:
2019-08-13
可打印页面
添加到收藏夹
关键词:
SUNNYSKY
朗宇
X3120-800KV
外转子无刷电机
SUNNYSKY 朗宇 X3120-800KV 外转子无刷电机
特 征:
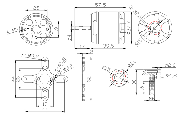
技术参数:
产品名称:
厂家编号:
附 件:
包含:
1 x 朗宇 X3120-800KV 电机
1 x 电机配件包
客户评论:
内容描述:
此处评论/问题为客户间交流.
发布为:
评论
问题
推荐星级:
5星
4星
3星
2星
1星