
商品描述:
编号:SL-300上架/更新:2015-11-25/2018-03-20
- 机身采用1.6mm黑色沉金PCB板集成焊点,方便安装电调。
- 机臂为12mm亚光碳纤维管,采用CNC铝合金件连接,并使用轴承支撑。
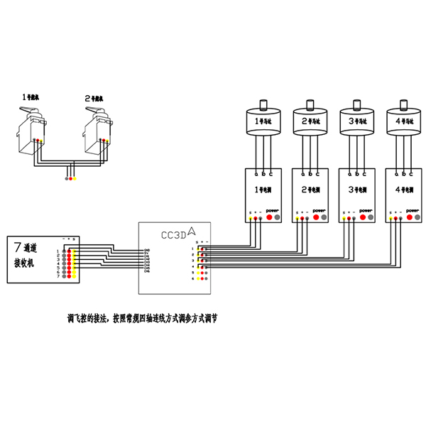
- 电机倾斜角度可以在±40°变化,采用全金属舵机驱动电机角度变化,保证在变形后飞行稳定性。
- H4结构设计,可以让机架既能适应普通四轴的飞行模式,也能使四轴以类似V22鱼鹰的前倾螺旋桨状态飞行。
- 当改变角度时,机身不同于一般四轴那样靠改变整体的俯仰角度来获取前进推力,而是直接利用改变电机的角度从而改变推力方向,在四轴前进的 过程中,始终保持最小的风阻面积。
- 由于不改变机身的俯仰倾角度,对于固定安装的摄像机,就不需要加装上仰角,因为当电机前倾时,机架的状态都是水平的。
技术参数:
产品名称:HMF SL300矢量穿越竞速机厂家编号:SL300
轴距:300mm
推力可调角:±40度
空机重量约:240g
建议配置: 电机:2204-2206
电调:12A-20A
桨:6045

所含附件:
1 x 底板总成(已安装好机械结构)1 x 上板总成
4 x 机臂
4 x 电机座
1 x 起落架
1 x 白色外壳
1 x 螺丝配件包